销售热线: 180-2468-7266
180-2468-7266
180-2468-7266
用途
设备适用于系统最高电压 1kV~120kV范围内的交流系统用户外和暴露在污秽大气中的瓷和玻璃绝缘子的工频耐受特性的测定。这些试验不能直接应用于涂油绝缘子和特殊型式的绝缘子(具有半导电釉的绝缘子或覆盖有任何有机绝缘材料的绝缘子)。本试验的目的是规定适用于架空线路、变电站、牵引线路绝缘子以及套管的人工污秽试验程序。设备按照GB/T 18889-2002和GB/T 4585-2004 交流系统用高压绝缘子的人工污秽试验的要求制作,设备包含盐水供水箱、盐水供水泵、供水压力调节装置、流量计、供水管道、压缩空气供气系统、压缩空气加热过滤装置、压缩空气调节系统、喷雾喷嘴、排雾管道、排雾过滤器、压缩空气供气系统、高压穿墙套管、绝缘子测试挂架、开关柜、接触式调压器、污秽试验变压器、保护电阻、电容分压器、绝缘支柱、密封试验室等组成。
DETAILS|产品详细介绍


产品名称 |
多因子盐雾腐蚀试验装置 |
产品型号 |
CZ-170KC |
标称内容积 |
170m3不含顶部斜顶容积 |
内箱尺寸(mm)
|
6300×4500×6000 W×H×D(不含斜顶高度) 注:顶部斜顶夹角120°,斜顶高1820mm |
外箱尺寸(mm) |
约6500×6600×6700 W×H×D 注:不含盐水箱尺寸及工频交流污秽成套试验成套装置尺寸 |
药水箱尺寸(mm) |
约Φ1000×H 1300 |
开关柜尺寸(mm) |
1200×2100×1100 W×H×D |
调压器尺寸(mm) |
1450×1850×1400 W×H×D |
污秽变压器尺寸(mm) |
3300×2100×1600 W×H×D |
保护电阻、分容器、绝缘支柱尺寸(mm) |
3600×2100×850 W×H×D |
备净重 |
约20吨 |
测试环境条件 |
环境温度为+20℃、相对湿度≤85%RH、试验箱内无试样条件下(另有说明除外) |
试验室温度范围 |
5~40℃ 注:试验室温度不控制,根据周围环境温度确定 |
饱和桶温度范围 |
RT~63℃ 注:测试时饱和桶温度设定高于试验箱温度12℃但不高于15℃ |
工频污秽成套试验装置技术指标 |
额定容量:500kVA 额定电流:4.16A 额定电压:低压绕组:0.6kV(采用2组串、并联使用)高压绕组:120kV(低压绕组并联)60kV(低压绕组串联) 额定电流:低压绕组833.3A高压绕组4.16A 相数:单相 频率:50Hz 短路阻抗:≤3% 运行时间:在额定容量及额定电压下,允许连续运行60min,80%额定容量及额定电压下,允许连续运行设有可靠的接地螺栓,接地处有明显的接地符号或标明接地字样。外表面涂绝缘漆保护。 |
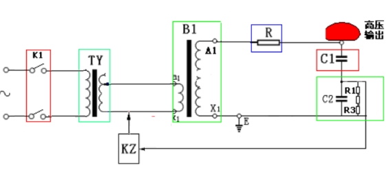
工频污秽套试验装置系统原理简 |
K1:电源开关柜 TY:接触式调压器 B1:试验变压器 C1 C2:电容分压器 R: 保护电阻 KZ:控制装置
|
盐水供液流速 |
试验期间每个喷雾器的溶液流量为0.5 L/min±0.0 5L/min,并且全部喷雾器的总流量允差应为标称值的±5% |
喷嘴数量 |
18只 |
参考试验方法 |
GB/T 18889-2002 潮湿试验和盐雾试验 GB/T4585-2004 交流系统用绝缘子的人工污秽试验 GB/T16927.1-1997 高电压试验技术 第一部分一般试验技术 GB/T16927.2-1997 高电压试验技术 第二部分测量系统 JB/T9641-1999 试验变压器 JB/T8749.8-2014 柱式调压器 GB 1094.1-2013 电力变压器 第一部分 总则 GB 1094.2-2013 电力变压器 第二部分 液浸变压器的温升 GB 1094.3-2003 电力变压器 第三部分 绝缘水平、绝缘试验 GB 1094.5-2003 电力变压器 第五部分 承受短路的能力 JB4705 -1992 耦合电容器及电容分压器 GB/311.1-2012 高压输变电设备的绝缘配合 |
喷嘴安装参照 |
GBT 4585-2004 喷雾器喷嘴的典型结构图制作 |
噪音 |
小于70db(A) (离箱体1m离地面1.2米处处测量) |
电源线 |
电源供电线缆及电源总开关位于电控箱后面, |